风机性能参数:
转速:1450转、2900转
流量:2356-29344m3/h
压力:500-2000pa
风冷型耐温≤180℃、水冷型耐温≤230℃
材质:碳钢、不锈钢304#
最新修改时间:2026-3-16
风机的用途:
1、针对涂装生产线,烘烤炉,干燥炉,退火炉,纺织业,窑炉业,涂布机等热风循环配套而研发的自主产品__插入式耐高温风机。
2、风机输送介质温度在100℃-230℃之间,采用不锈钢材质输送介质温度在300℃内。
3、输送的气体为空气或其他不自燃、不自爆、无缠绕性、对人体无害、对钢铁材料无腐蚀之气体。也可作为各行业输送无腐蚀性、不自燃、不含粘性物质的热气、蒸气、烟气。适用于箱式空气加压通风,加热炉高温气体循环系统,但输送介质的温度不得超过其额定温度范围。
4、气体内不许有粘性物质,所含的尘土及硬质颗粒不大于150mg/m3。如含尘土量大,在风机前必须加装准备就绪不低于85%的除尘装置,降低进入风机的烟气含尘量,以利提高风机寿命。
风机的安装形式:
1、此风机叶轮有两种旋转形式。从电机后端正视,叶轮顺时针旋转者称右旋风机,以“右”表示;叶轮逆进针旋转者称左旋风机,以“左”表示。
2、风机固定板有圆型,方型,方型带保温层结构。
风机的结构特点:
1、风机主要由叶轮、蜗壳、电机、冷却连接器、散热风叶等配件组成。
2、WCQE型叶轮由10个后倾机翼型叶片、曲线型前盘和平板后盘组成。材料用强度高、耐用性好的优质钢板或不锈钢板制造,并经严格的动、静平衡校正。空气性能良好,效率高,运转平稳。
3、蜗壳进风口采用收敛流线型减涡形式,气流损失较小,风机的工作效率高。
4、风机固定板、电机以金属铸件安装连接,电机主轴上安装散热风叶,金属铸件的外壁上开设进、出水管接口,对金属铸件与轴头进行冷却降温,确保电机在高温下正常运行。
5、其电机采用特殊高温电机,风机流体部分采用耐温材料,降温结构性能可靠。相比其它皮带传动插入式风机,WCQE型结构简单稳定,维护方便,性价比高等优点。
订货须知:
订货时请注明风机的规格型号、需配电机功率及转速、风机固定板结构和叶轮的旋转方向。
产品安装尺寸图
WCQE2.8#-B-1.1kw配机壳:

WCQE3.2#-B-1.5kw配机壳:

WCQE3.6#-B-3kw配机壳:
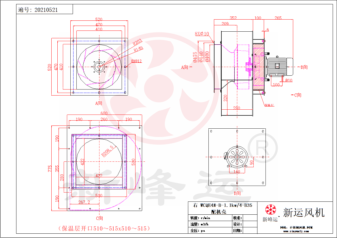
WCQE4#-B-1.1kw配机壳:

WCQE4#-B-4kw配机壳:

WCQE4.5#-B-1.1kw配机壳:

WCQE4.5#-B-5.5kw配机壳:

WCQE5#-B-2.2kw配机壳:

WCQE5#-B-11kw配机壳:

WCQE5.6#-B-3kw配机壳:

WCQE6#-B-4kw配机壳:

WCQE6.3#-B-5.5kw配机壳:

WCQE7#-B-7.5kw配机壳:

业务电话:0757-8644-7962
固话:0757-8644-7930
邮箱:fsxinyun@163.com
地址:广东佛山市南海区罗村塱沙工业园
联系咨询热线
0757-8644-7962
欢迎您来电咨询